与防雷系统一样,都是需要具备消防资质的专业公司才能进行设计及施工,所以本系统一般采用合作方式进行,由专业公司提供技术支持。
由于气体灭火属于全淹没的灭火系统,对人体会造成毁灭性伤害,所以建议只在设备较多且无人值班的功能区采用气体消防,在需要人员值班的功能区还是采用普通喷淋消防系统比较保险。
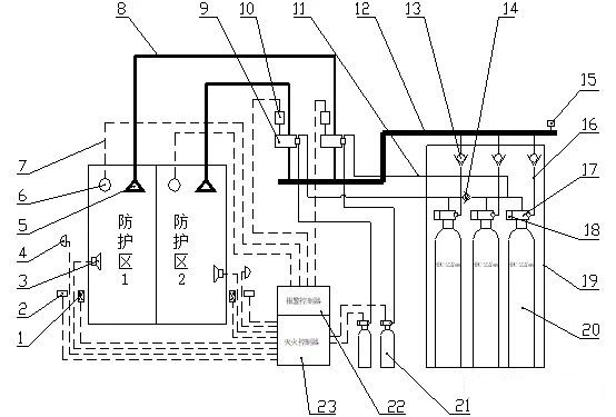
一般采用七氟丙烷自动灭火系统 ,根据机房面积确定使用管网或者无管网灭火方式,一般面积较小的机房(小于50平米),采用无管网方式,面积较大的机房需要采用管网方式。
消防系统还要具备火灾报警功能,灭火装置具有自动、手动及机械应急操作三种方式 。
气体消防系统:气体消防要求消防区域空间必须密封。

系统应用场景
广泛应用于:各类型工厂、园区、政府、企事业单位机房等。
诺电智能用多年的弱电行业从业经验,通过更多案例预算,可以免费上门勘察,免费为客户做全方位的预算。
预算不够并不代表要选用不好的品牌和落后的技术,诺电智能的市场人员均在行业从业10年以上,可以深度交流,在有限的预算下合理利用资源、出具更优方案。
一般不能,需要有经验的弱电工程公司进行二次深化设计后再进行招标。
江西诺电智能可以免费上门勘察,深度消化需求,结合客户预算做出科学合理的系统设计、点位安排。欢迎来电咨询。
我们可以结合实际需求做出配置清单。提供:系统功能及技术说明、图纸及点位分布、品牌及参数选型。
诺电智能携行业多年从业经验一站式解决从项目立项、预算、设计、招标、施工、售后全过程管控服务。
可以,基于建筑的一切强弱电系统和OA、MES、WMS、ERP、公众号等一切数据集成到一个智能化平台上进行管理和维护。
诺电智能项目经理持有贰级及以上建筑师资格证且从业多年以上行业项目管理经验;根据客户需求诺电智能提供终身维修维护。